Inverter for fluorescent lamp

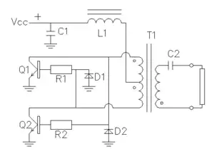
CCFL inverter schema

The CCFL (Cold Cathode Fluorescent Lamp) inverter works in general the same as other converter systems in a much smaler scale.

to 220

schema components:

Q1, Q2 = NPN TIP31, to-220

R1, R2 = 8.2 KOhms

D1, D2 = 1N4001 / 4148

C1 = 10uF, 25V,

C2 = 22 pF, 2KV

L1 = 80uH

T1 = FE16C or equivalent transformer

CCFL inverter transistors equivalent

D1616 2SD592A KT3117A
BC337
2SD1616 BC637
BC639
2SD667
2SD592ANC 2N3859A
BC637
KT3117A
2SD667
BC639
2SC3328 2N6516
MPS651
KT504A D1490
2SD1490
2SD1616
2SC4489
2SD2182
2SD218
2SC3328-O 2N6516
KT504A
MPS651

Inverter Transformer

T1 ccfl inverter transformer

T1 = FE16C or equivalent transformer

TURN RATIO: input = 1.8 output = 8 . .
PRIMARY INDUCTANCE: P1= 33.5 P2= 44.5 P3= 3.7uH
PRIMARY DIAMETER: P1= mm P2= mm P3= mm
SECONDARY INDUCTANCE: S1= 150mH . . . .
SECONDARY DIAMETER: S1= mm . . . .
PRIMARY DCR: P1= 0.3Ohm P2= 0.3Ohm P3= 0.1 Ohm
SECONDARY DCR: S1= 120 Ohm . . . .
CURRENT RATING: Primary 230mA Secondary 30mA . .

P3=Winding for optional feedback control

Measure wire thickness

How to measure thin isolated copper wire thickness for a self made transformer coil component

Wire diameter: 0.05 ~ 0.20mm

DIAMETER WIRE COLOUR
0.01 .
0.02 .
0.03 .
0.04 .
0.05 .
0.06 .
0.07 .
0.08 .
0.1 .

3rd world CCFL lamp (2007 model)

This article is issued from Appropedia. The text is licensed under Creative Commons - Attribution - Sharealike. Additional terms may apply for the media files.